Dschen Reinecke
www.infrarotport.de
[Startseite]
[Bauanleitung]
[English]
[Bauteil-Bestellung]
[Produkt-Bestellung]
[AGB]
[FAQ]
[Forum]
[Troubleshooting]
[Treiber-Seite]
[Mainboard-Seiten]
[Platinenlayout]
[Galerie-Seite]
[Links]
[Banner/Recht]
[Sitemap]
[Kontakt]
Computer, Elektronik und Telekommunikation - Handel und Service
|
Homepage
Bauanleitung
FAQ
Bestell-Seite
Sitemap
Kontakt
|
Dschen Reineckes Infrarotport Troubleshooting-Seite
Stand: 10. Jan 2006
|
|
Auf dieser Seite will ich versuchen Hilfestellungen zu geben, wie der Infrarotport zum laufen gebracht werden kann, wenn er es nicht auf Anhieb tut.
1. Infrarotport wird heiß.
2. Windows findet keine Hardware.
3. Infrarot-Monitor meldet: Fehler xx.
4. Angeblich störende Infrarotgeräte.
5. Verbindung bricht ab.
6. Infrarot-Kommunikationspartner wird nicht gefunden.
7. Keine Pegeländerungen auf Ir-Txd.
8. Trotz Pegeländerungen keine Kommunikation.
|
|
|
| |
1. Ganz wichtig ist, daß der Infrarotport im Betrieb nicht heiß wird oder sichtbar leuchtet. Abgesehen vom regelmäßigen Blinken der eventuell vorhandenen Sende-Kontroll-LED.
|
|
Wenn doch, ziehe ihn bitte sofort von dem Motherboard ab (das kann ohne
Probleme im laufenden Betrieb passieren) und probier mit den
Bios-Einstellungen rum. Wenn sich da etwas wie High/Low oder Low/High
einstellen läßt, dann hast Du vermutlich schon die richtige Stelle
gefunden, teste es einfach mal mit der umgekehrten Einstellung. Das
Problem ist nämlich, daß das Mainboard den Infrarotport ständig senden
läßt, dieser aber nur auf die kurzen Sendeimpulse der Datenübertragung
ausgelegt ist und durch diese Überlastung heiß wird. Eventuell findest
Du auf meinen Mainboard-Seiten genauere Infos zu Deinem Mainboard.
|
top
|
|
|
| |
2. Windows findet die Hardware nicht und will auch nicht automatisch die passenden Treiber installieren.
|
Vermutlich ist die Infrarotübertragung im Bios nicht aktiviert. Oder
das Bios kann vielleicht gar keine Infrarot-Kommunikation. Dann spiele
doch die neuste Version des Bios ein.
Ansonsten kannst Du auch die Windows-Treiber von Hand installieren, wie auf meiner Treiber-Seite
beschrieben ist. Danach soll der Windows Infrarot-Monitor alle paar
Sekunden ein Datenpaket auszusenden, was sich an dem Grünwerden des
Icons bemerkbar macht.
|
top
|
|
|
| |
3. Der Windows-Infrarot-Monitor meldet entwerder sofort oder nach einer Weile einen "Fehler xx".
|
Bestenfalls reicht ein Neustart das
Systems. Ansonsten läßt sich oft durch eine Neuinstallation der
Windows-Treiber dieses Problem beheben. Dazu in der
Windows-Systemsteuerung unter System auf der Reiterkarte Geräte-Manager
die virtuellen Infrarot-Schnittstellen und das Infrarot-Gerät
entfernen. Bei dem Neustart sollten sie wieder installiert werden,
ansonsten wie oben beschrieben von Hand installieren.
Es hat wohl auch schon geklappt einfach von Hand die Treiber ein zweites mal zu installieren.
Probleme können auch durch verschiedene Software auftreten. Mir bekannt ist zum Beispiel das Programm Zone-Alarm
|
top
|
|
|
| |
4. Ohne das irgendwelche Infrarotgeräte in der Nähe sind meldet Windows, daß solche da seien und stören würden.
|
Das Problem ist entweder ein zu langes, ungeschirmtes Kabel, zwischen Mainboard und Infrarotport,
oder eine zu schlechte Versorgungsspannung an dem Infrarot-Anschluß.
Abhilfe bringt ein geschirmtes Kabel oder, vermutlich eher, die
Glättung der Versorgungsspannung. Die Bauteile (ein Tantal-Elko mit
4,7µF, ein Kerko mit 100nF und ein Widerstand mit 47 Ohm) dazu könnt
Ihr bei mir bestellen. Die Schaltung dazu sieht wie folgt aus:
|
top
|
|
|
| |
5. Windows meldet bei einem IrDA-konformen Gerät,
es seien störende Infrarotgeräte in Reichweite, oder die Aufgebaute
Verbindung bricht sofort wieder ab. Vielleicht meldet Windows auch
ständig störende Geräte.
|
Das deutet darauf hin, daß, die Versorgungsspannung vom
Infrarot-Anschluß auf dem Mainboard nicht genug belastbar ist. Oder es
bricht, wenn das Kabel zu lang und dünn ist, beim Senden die Spannung
zusammen. Abhilfe schafft hier ein Elko (22µF und mindestens 10V), den
Ihr bei mir bestellen
könnt. Dieser wird zwischen Vcc und GND vom Mainboard-Anschluß
geschaltet und zwar möglichst nah am TFDS4500. Das sieht dann so aus:
|
top
|
|
|
| |
6. Windows tut so als würde es alle paar Sekunden
eine Kennung aussenden (das Icon wird grün), aber es bemerkt nicht,
wenn ein Infrarot-Gerät in Reichweite ist.
|
Der simpelste Grund ist ein nicht korrekt angeschlossener Infrarotport, überprüfe bitte noch mal, ob alle Verbindungen richtig vorhanden sind und ob die Pinbelegung des Mainboards stimmt.
Jetzt ist trotzdem möglich, daß der Infrarotport
keine Impulse bekommt, das kann man durch Messung des Spannungspegels
der Ir-Txd-Leitung gegenüber GND und vielleicht auch gegenüber Vcc
rausfinden. Perfekt ist dazu ein Oszilloskop, ansonsten eignet sich
auch ein analoges Voltmeter. Es sollte sich regelmäßig (ungefähr im
Takt des Grünwerdens des Infrarot-Monitors von Windows) eine kleine
Pegeländerung messen lassen. Mit digitalen Voltmetern geht das nicht
gut, da diese zu träge sind.
|
top
|
|
|
| |
7. Es läßt sich keine Pegel-Änderung auf der Ir-Tdx-Leitung messen.
|
|
Das Bios scheint nicht in der Lage zu sein den Infrarotport anzusteuern. Vielleicht hilft eine neuere Version.
|
top
|
|
|
| |
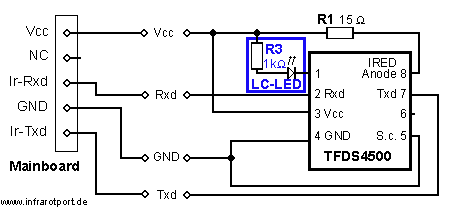
8. Trotz einer Pegeländerung auf der Ir-Txd-Leitung merkt Windows nicht, daß ein Infrarotgerät in Reichweite ist.
|
|
Vielleicht ist der TFDS4500 kaputt (gegangen). Oder nicht richtig angeschlossen. Klarheit bringt es den Infrarotport
mit einer Video- oder Web-Kamera zu filmen, beziehungsweise sich diesen
mit dieser anzugucken. Er soll regelmäßig hell aufleuchten. Wenn er das
tut, ist er in Ordnung.
Viel einfacher, als mit einer Kamera, läßt es sich kontrollieren, wenn
Du die Sende-Kontroll-LED (Low Current) einbaust, diese kannst Du bei
mir mit dem nötigen 1-kOhm-Widestand bestellen.
Sie ist parallel zu der Infrarot-Diode im TFDS4500 geschaltet und zeigt
somit sichtbar an, wenn etwas gesendet wird. Eine Lösung, die auch dem
vielfachen Wunsch nach etwas, was blinkt, nachkommt. :-)
Der Schaltplan sieht so aus:
|
top
|